反击式破碎机电气控制柜电气原理简述
反击式破碎机需要电气控制柜来操控设备的启动和关闭,并且在维修时也需要控制柜电源的关闭控制,因此,电气控制柜对于破碎设备是非常重要的配套设备,今天应前不久有个客户需要这方面的资料,特分享一下恒源反击式破碎机的电路控制原理图,以便协助对方工作。以下分三部分简述以下反击破电气控制柜的基本知识:
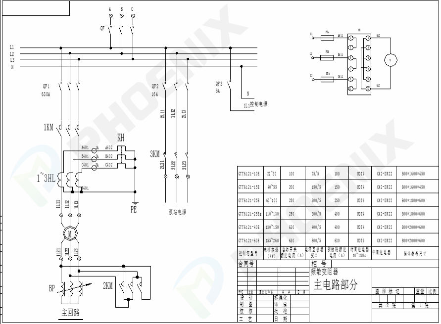
一、主电路部分
一、主电路部分
主电源由自动空气开关QF提供,自动开关QF1提供主电机电源,QF2提供泵站电源,QF3提供控制回路电源,交流接触器1KM、2KM、频敏变阻器BP完成主电机的启、停,3KM控制泵站电源。

图一:反击破主电路图

图二:反击式破碎机控制电路图
二、控制柜电气控制原理
1、启动:当主设备在可运行状态下,限位开关XK处于闭合位置,此时合上QF、QF1、QF3,把选择开关S12旋至工作位置,绿色信号灯HG亮,按下启动按钮SB21,1KM得电并自锁,主电机M在转子接入频敏变阻器BP的情况下启动,并缓漫加速,同时时间继电器1KT得电(1KT延时时间整定不能大于90秒),2KT得电(2KT延时时间大于1KT延时时间5~10秒),1KT延时时间到1KA得电、2KM得电,频敏变阻器BP被切除,主电机M启动结束进入正常工作;同时2KM得电断开2KT,2KT结束延时计时,绿色信号灯HG熄灭,红色信号灯HR亮,计时累加器time开始累计主机工作时间。
2、停机:按下停止按钮SS21,1KM失电,1KT、1KA、2KM同时失电,主机M自由停机,紧急停止按钮S11在紧急情况下便于操作。
3、保护:本电路设计得有过载、过流、短路保护,同时有启动异常保护,以免烧毁频敏变阻器,该保护由2KT、2KA完成,既:启动时1KM叩合,1KT、2KT同时得电并开始延时,但1KT延时时间比2KT短(一般可调短5~10秒),如果启动过程中1KT按时动作,但由于某种原因2KM未能吸合,频敏变阻器BP处于超时工作达到2KT延时时间后,2KA得电吸合,其触点2KA(13、15)断开,1KM失电切断电动机主回路,使频敏变阻器BP退出工作状态免于烧毁,同时2KA触点(7、35)接通声光报警器YF工作,说明启动有启动超时故障,应及时处理。

三、检修注意事项
在主电机检修时,必须断开自动空气开关QF1,合上QF2,将选择开关S12旋至揭盖位置,3KM得电,泵站电源接通,即可以进行揭盖检修,揭盖后限位开关XK断开,保证主电机不能启动,检修完毕后,合上盖子,XK闭合,表示设备处于可运行状态。
以上技术资料发布于中国大型破碎机、制砂机生产厂家:上海恒源冶金设备有限公司,转载此文请注明文章来源。
以上技术资料发布于中国大型破碎机、制砂机生产厂家:上海恒源冶金设备有限公司,转载此文请注明文章来源。
返回首页
相关文章
绿色矿山建设不等于绿化矿山,探索绿色矿山建设存在的3大问题。
2019-08-13
【破碎机设备】破碎机不仅仅只有一种破碎机,不同行业有不同的破碎机,下面我简单说一下
2019-08-08
破碎设备有哪些类型?破碎设备的分类
2019-05-10
移动破碎机生产现场模拟动画
2023-02-25
移动破碎设备将成为未来破碎设备的主流
2019-05-10
技术篇|多缸圆锥破碎机振动噪声过大及回油温度高怎么回事!
2019-11-16
单缸圆锥破碎机发货视频
2020-04-07
颚式破碎机如何实现过铁保护的
2024-10-12
花岗岩破碎需要哪些设备?
2023-07-07
砂石开采权达到了50年!江西年产500万吨砂岩采矿权3.97亿元出售!
2019-11-19
【破碎机厂家】圆锥破碎机是否能够破碎电石?下面我们一起来揭晓答案!
2019-08-05
垃圾分类已实行,矿山建筑垃圾将何去何从
2019-07-04
反击式破碎机传动端轴承外圈与轴承座孔之间的
2019-05-12
【恒源矿山设备】选矿行业的“春天”在哪里,在绿色矿山和绿色矿业方面取得成果
2019-07-26
重晶石破碎生产线设备配置及工艺流程详解:提升重晶石加工效率的关键
2024-12-08
【恒源】购买用于矿山设备的破碎机时应该要注意哪些技巧?
2019-07-23
怎样提高锤式破碎机的锤头寿命?教你几招简单实用的方法
2019-08-28
【砂石骨料价格】多地砂石涨价,且“有价无货”——2019年7月全国砂石骨料价格和产量
2019-08-07
矿山机械行业为我国经济进程支柱产业
2019-05-10
行业分析|5G时代来了!无人矿山项目简析
2019-11-28






